BCD Latch with Blanking Input



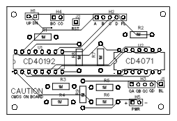
Board layout.


This board uses a CD40192 pre-programmable counter to latch BCD data until parallel input is invoked and a CD4071 quad 2-input OR gate to handle blanking.

Operates off of 5 to 15 volts.

Each input has its own on-board 1M pullup/pulldown resistor, so you do not need external resistors.


Price: $95 per board. Please email me to purchase. Checks only.